


冷镦机
一. 行业概况
冷镦机是机械制造中的一种冲压加工机器,将原材料不做任何改变,使材料成型为需要形状。它采用冷态力学进行施压或冷拔,达到金属固态变形的目的。在室温下把棒材或线材的顶部加粗的锻造成形方法。冷镦主要用於制造螺栓、螺母、铁钉、铆钉和钢球等零件。锻坯材料可以是铜、铝、碳钢、合金钢、不锈钢和钛合金等,材料利用率可达80~90%。冷镦多在专用的冷镦机上进行,便於实现连续、多工位、自动化生产。
二. 控制要求
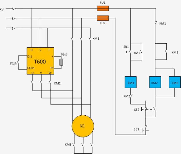
1. 采取双速电机,工频时接低速绕组(4极),即交流接触器线圈KM1吸合。变频时切到高速绕组(2极),即交流接触器线圈KM2和KM3吸合,此时的电机(高速绕组)通过变频器调速。
2. 在工频切换变频时,需平滑过度,变频器过载能力强。
三.电气控制图
四. 参数设置
|
参数 |
参数说明 |
设定值 |
备注 |
|
F0.01 |
命令源选择 |
1 |
外部按钮启动 |
|
F6.00 |
启动方式 |
1 |
转速追踪启动 |
|
F6.01 |
转速追踪方式 |
2 |
从最大频率开始 |
|
F6.02 |
转速追踪快慢 |
70 |
|
|
F1.10 |
停车方式 |
1 |
自由停车 |
|
F3.00 |
V/F曲线设定模式 |
0 |
直线V/F曲线 |
|
Fb.05 |
过流失速增益 |
0 |
关闭限流功能 |
|
F8.42 |
快速限流使能 |
1 |
开启使能 |
|
F4.00 |
X1 端子功能选择 |
1 |
正转运行 |
五. 方案特点
1. 系统启用了T600 转速追踪功能,可以避低速(4极)转高速(2极)时,电流过大问题,实现了平滑过度。
2. 在电机切换高速绕组时,采用T600进行控制,可对高速电机实现无极调速,并提高功率因数,节约电能。
六. 现场应用
